首页
走进恩利旺
公司简介
荣誉资质
节电降碳
公司成长
生产研发
产品中心
FPC
LVDS
FBTB
COMPONENTS
WTB
BATTERY
合作伙伴
新闻资讯
公司新闻
行业新闻
视频中心
联系我们
EN
Language
中文简体
English
精密连接器 产品制造商
提供全方位的 精密连接器产品解决方案
产品分类
.3Pitch
.4Pitch
.5Pitch
1.0Pitch
大电流
立式
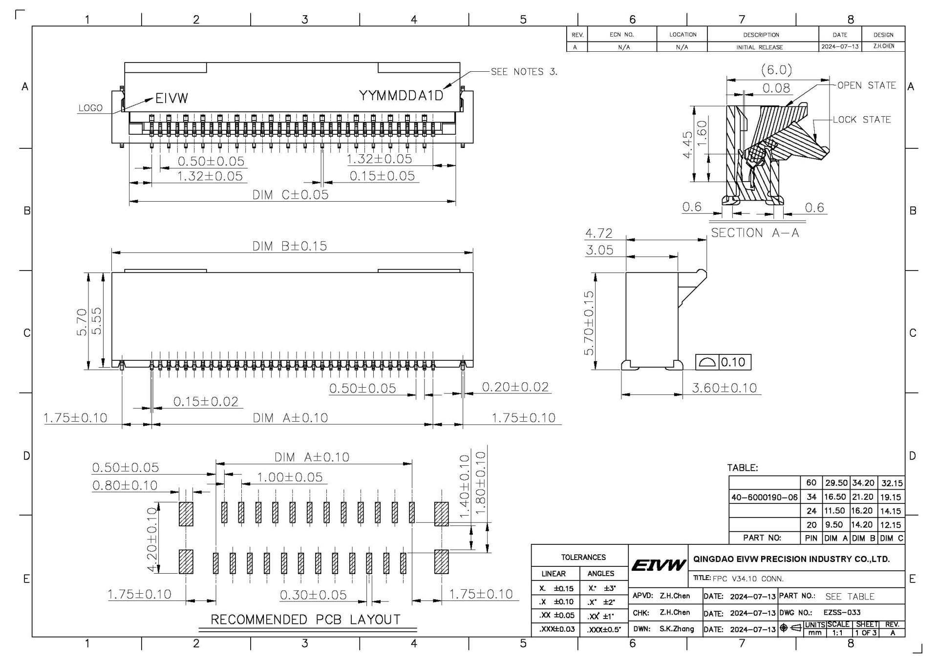
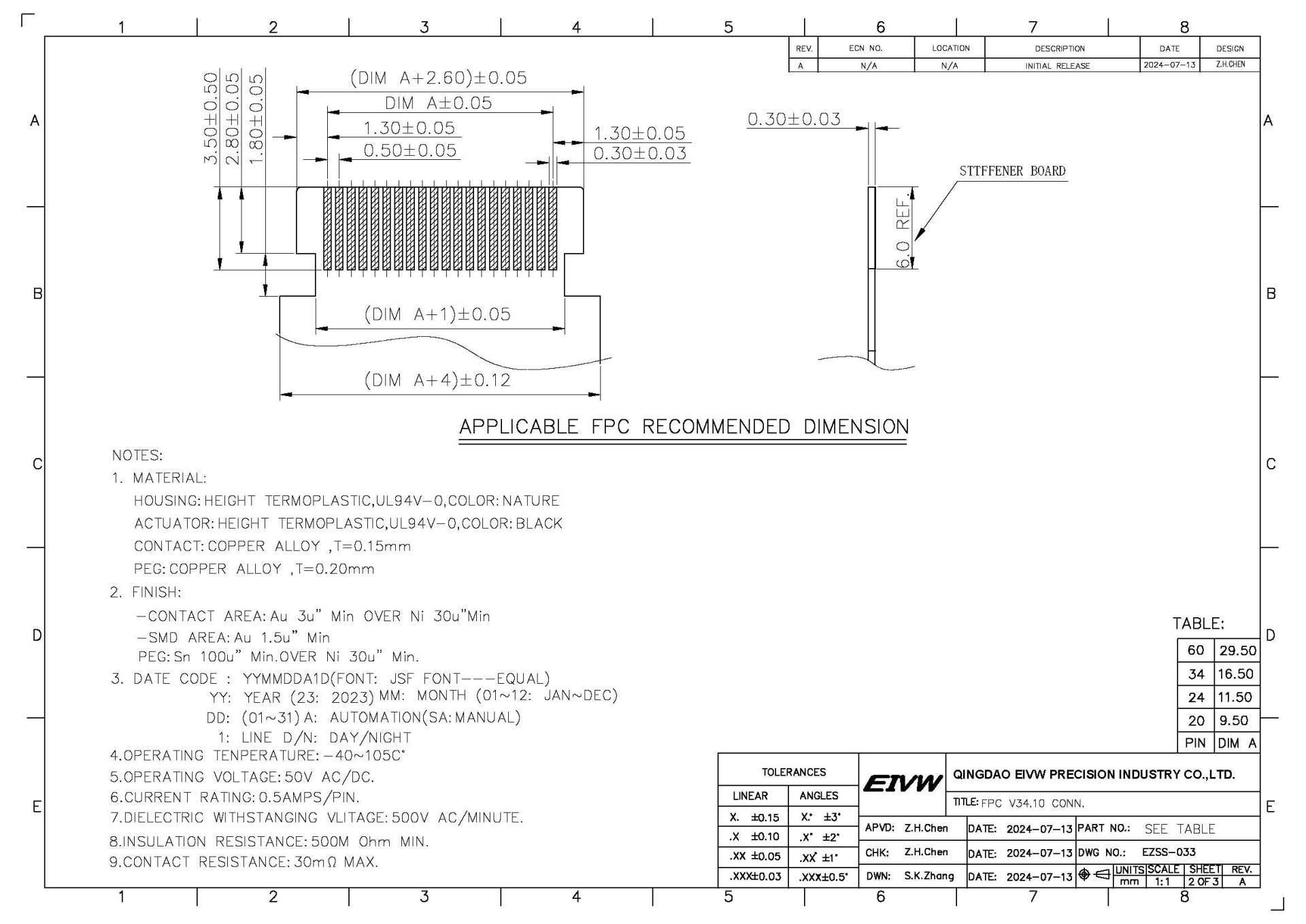
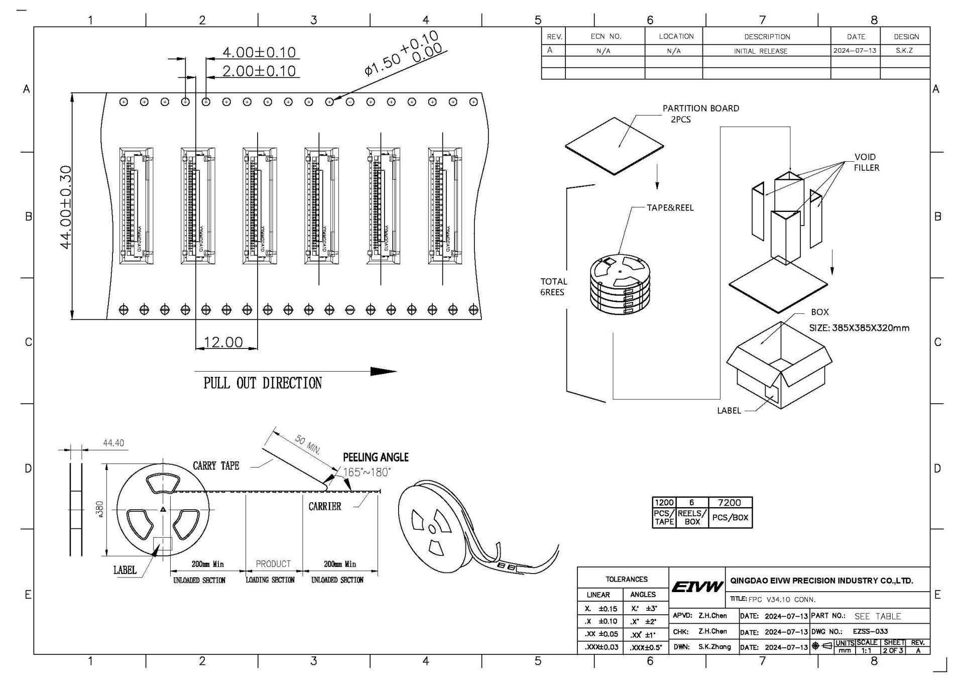
产品图纸
FPC V34.10
产品详情
关键词:
相关产品
EDP LVDS 30.1 CONN
FPC BFN 24.10 CONN
FPC BFN 12.10 CONN
车载屏 FPC 68.10 CONN
产品询价
注意:请留下您的邮箱,我们的专业人员会尽快与您联系!
联系方式
王先生:
+86 13165047482
+86 0532 87923021
梁先生:
+86 13145324487
+86 0532 87923022
eivwsales@eivw.com.cn
山东省青岛市城阳区河套街道胶州湾综合保税区创源路7号
网站建设:中企动力 青岛 | SEO标签
王先生:+86 13165047482
梁先生:+86 13145324487
公司邮箱:eivwsales@eivw.com.cn